LP6201
                                                    
                                                概述
                                
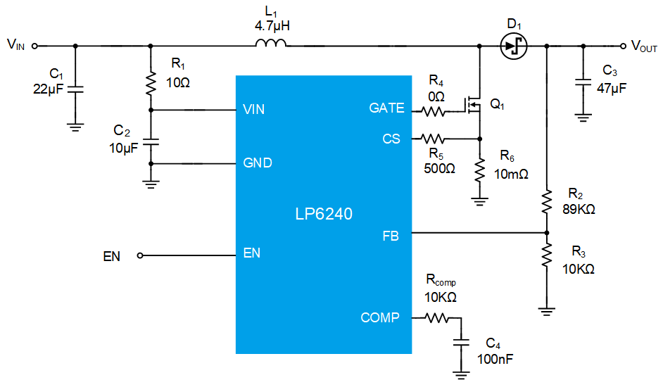
                                   The LP6240 is a high performance non-synchronous boost converter controller that drives all N-channel power MOSFETs. Synchronous rectification increases efficiency, reduces power losses and eases thermal requirements, allowing the LP6240 to be used in high power boost applications. A 4.5V to 24V input supply range encompasses a wide range of system architectures. The LP6240 features operating fixed-frequency at 600kHz and a 1.215V reference voltage. The CS pin can adjustable the current limited and slope compensation by permutations the external resistor .Other features include over current protection (OCP), output over voltage protection (OVP), andunder-voltage lockout (UVLO). The LP6240 is available in a space saving SOP-8 (0.5mm pitch) package.
                                
                            
应用
                            
                                ◆	Battery Products
◆ Audio Amplifier
                        ◆ Audio Amplifier
数据参数
                            数据参数
                                    
                                        
                                
                            
输入电压(V)
                                    4.5~35
                                最高输出电压(V)
                                    external
                                工作频率 (Hz)
                                    500K
                                开关管电流(mA)
                                    Ext mosfet
                                欠压锁定
                                    Yes
                                FB电压(V)
                                    1.2
                                5V带载电流
                                    10A
                                特点
                                    Large current,HV Boost Control,OCP,OVP,OTP
                                封装
                                    SOP8
                                特征
                            特征
                                    
                                        
                                
                            
                                ◆	Wide VIN Range: 4.5V to 24V
◆ Current-Mode PWM Controller
◆ Under-Voltage Lockout
◆ Over Voltage Protection
◆ Over Current Protection
◆ Under-Voltage Protection
◆ Over-Temperature Protection
◆ Available in SOP-8
◆ RoHS Compliant and Halogen Free
◆ Pb-Free Package
                        ◆ Current-Mode PWM Controller
◆ Under-Voltage Lockout
◆ Over Voltage Protection
◆ Over Current Protection
◆ Under-Voltage Protection
◆ Over-Temperature Protection
◆ Available in SOP-8
◆ RoHS Compliant and Halogen Free
◆ Pb-Free Package
推荐产品
                            
                        
                  
                  
                  
                  
                  
                  
 
        


