LP6454

电源转换
附件下载

主要特点

输入电压(V)
4.2~18
输出电压(V)
0.765~7
FB电压(V)
0.765
电压精度
±1%
工作频率(Hz)
1.2M
最大输出电流(A)
4
输出通道数量
1
工作模式
Syn.
EN控制
Y
轻负载模式
PFM/PWM
产品特征/功能
COT,Internal Soft Start,OCP,SCP,OTP
封装
SOT23-6(FC)
  • IP66高防护,支持户外安装
  • 交直流二级防雷,主动消除雷击隐患
  • 支持直流拉弧检测功能,准确分辨异常电弧,避免火灾
  • 智能IV诊断,可精确定位组串故障
  • 支持故障录波,实时观测并记录逆变器交流侧电压、电流波形,减少本地运维成本
  • 支持RS485/WiFi/4G/Bluetooth,手机/电脑智能监控,随时随地操作更便捷
 
技术参数(产品仍在持续更新中,如有升级恕不通知)
概述
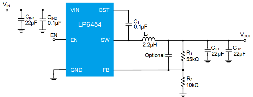
The LP6454 is a high efficiency synchronous buck converter supporting up to 4A output current and low heat. The LP6454 employs an adaptive constant-on-time (COT) control scheme to achieve fast load transient response and without external compensation. The external components are minimized, requiring only one inductor, two resistors, and two capacitors.The LP6454 supports both aluminum polymer capacitors and ceramic capacitors without extra compensation components.The LP6454 integrates PFM (Pulse Frequency Modulation) operation, which helps maintain the system efficiency at light load. The LP6454 also integrates multiple protection functions, i.e., over-current protection (OCP), over-temperature protection (OTP), under-voltage lockout (UVLO), and short circuit protection (SCP). The LP6454 is available in a small 6-pin 1.6mmΧ2.9mm SOT23-6 package.
应用
◆ Industrial PC
◆ Network/digital video recorder (NVR/DVR)
◆ TV and TV box
◆ 12V Industrial bus applications
数据参数
数据参数
输入电压(V)
4.2~18
输出电压(V)
0.765~7
FB电压(V)
0.765
电压精度
±1%
工作频率(Hz)
1.2M
最大输出电流(A)
4
输出通道数量
1
工作模式
Syn.
EN控制
Y
轻负载模式
PFM/PWM
产品特征/功能
COT,Internal Soft Start,OCP,SCP,OTP
封装
SOT23-6(FC)
特征
特征
◆ Wide input voltage range: 4.2V – 18V
◆ Output voltage range: Vref – 7V
◆ High efficiency operation
- Integrated an 33-mΩ LS-MOSFET and an 55-mΩ HS-MOSFET
- 90% efficiency at 4A load from 12V to 5V conversion
◆ Constant-on time (COT) control with fast transient response.
◆ ±1% Vref accuracy
◆ Typical 1.2-MHz switching frequency
◆ Startup from Pre-biased output voltage
◆ 1.0ms typical soft-start time
◆ Integrated UVLO, OVP, OCP, SCP, and OTP protections
◆ 1.6mm Χ 2.9mm SOT23-6 package
◆ RoHS Compliant and 100% Lead (Pb) Free
TOP