网站首页
关于我们
公司简介
企业文化
品质管理体系
公司环境
合作伙伴
产品中心
泰科天润
碳化硅肖特基二极管
碳化硅MOSFET
扬州国芯
运算放大器
电源管理产品
锂电池充电/移动电源管理
马达驱动/驱动管理
音频功率放大器
通用比较器
CD4000/74系列逻辑器件
时基电路/RTC时钟电路
触摸芯片
专用电路
西安芯派
MOSFET
IGBT
二极管
整流桥堆
电机控制器
新电源产品
德普微电子
LED显示行驱动
LED显示恒流驱动
LED显示逻辑芯片
LED照明驱动-非隔离低PF
LED照明驱动-隔离低PF
LED照明驱动-非隔离高PF
LED照明驱动-线性
SSR反激控制器
SR同步整流器
PSR反激控制器
锂电池保护-单节
锂电池保护-单节二合一
12-135V N MOSFET
30V P MOSFET
30-60V NP MOSFET
semihow
Super Junction MOSFET
LV Trench MOSFET
Planar MOSFET
SiC MOSFET
GaN FET
Diode (Si/SiC)
Power Module
微源半导体
屏幕显示电源
电源 PMU
电池管理
电源管理
电源转换
接口保护
功率器件
音频功放
快充协议
汽车电子
产品应用
智能物联
通信行业
大数据
汽车应用
新能源
工业控制
新闻中心
公司新闻
行业动态
常见问题
联系我们
×
首页
>
代理品牌
>
微源半导体
>
电源转换
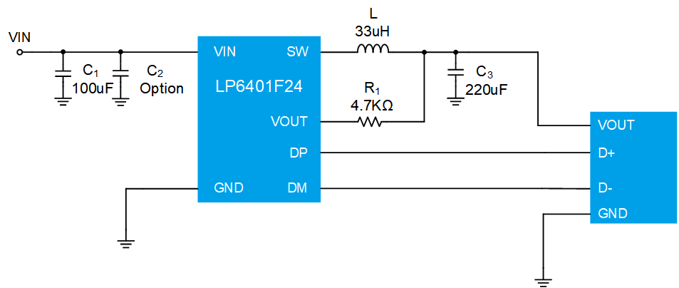
LP6401F24
电源转换
附件下载
主要特点
输入电压(V)
8~36
输出电压(V)
5.1
FB电压(V)
-
电压精度
±3%
工作频率(Hz)
120K
最大输出电流(A)
2.4
输出通道数量
1
工作模式
Syn.
EN控制
N
轻负载模式
PFM/PWM
产品特征/功能
Internal BC1.2 protocol,OCP,SCP,OTP
封装
SOP8
高效发电
收益更高
安全可靠
全面省心
智能防护
运维简单
IP66高防护,支持户外安装
交直流二级防雷,主动消除雷击隐患
支持直流拉弧检测功能,准确分辨异常电弧,避免火灾
智能IV诊断,可精确定位组串故障
支持故障录波,实时观测并记录逆变器交流侧电压、电流波形,减少本地运维成本
支持RS485/WiFi/4G/Bluetooth,手机/电脑智能监控,随时随地操作更便捷
技术参数(产品仍在持续更新中,如有升级恕不通知)
概述
应用
数据参数
数据参数
输入电压(V)
8~36
输出电压(V)
5.1
FB电压(V)
-
电压精度
±3%
工作频率(Hz)
120K
最大输出电流(A)
2.4
输出通道数量
1
工作模式
Syn.
EN控制
N
轻负载模式
PFM/PWM
产品特征/功能
Internal BC1.2 protocol,OCP,SCP,OTP
封装
SOP8
特征
特征
推荐产品
LP3219
1.5MHz, 2A Step-Down Converter
下载规格书
×
获取报价
如果您对我们的产品感兴趣并想了解更多细节,请在此处留言,我们将尽快回复您。
提交
复位
TOP